Из истории автохимии
Человечество сталкивалось с решением проблем смазки деталей и приспособлений с давних времен.
Автохимия – препараты химической промышленности для обслуживания и ремонта систем транспортного средства, прежде всего двигателя, трансмиссии и кузова.
Еще в Древнем Египте, примерно в 2400 году до нашей эры, при транспортировке египетского каменного колосса на специальных деревянных салазках (рис. 1) между полозьями салазок и такими же деревянными болванами вводили особый смазочный материал на основе воды с добавлением оливкого масла (в качестве присадки) и ила из реки Нил (в качестве антифрикционной добавки).

Рис. 1. Изображение транспортировки египетского каменного колосса
Оливковое масло также применялось в опорах колодезных воротов времен бронзового века (V век до н. э.) для снижения силы трения и предотвращения неприятного скрипа при подъеме воды на поверхность.
Значительно позже, ориентировочно в 23…79 годах уже нашей эры Плиний Старший (С. Plinius Secundus) составил один из первых списков некоторых растительных и животных масел, пригодных к применению в качестве смазочных материалов. Так что «список Плиния» можно считать первым каталогом смазочных материалов в мире.
Как гласит китайская пословица XVII века, «… одна капля масла в подшипник делает повозку, а тысяча капель – корабль, готовым к эксплуатации».
Основоположником современной науки о трении считается известный французский ученый и военный инженер Кулон (Coulomb) Шарль Августин, в 1781 году опубликовавший свою знаменитую книгу «Теория простых машин», которую можно считать одним из первых изданий по трибологии.
Трибология (греч. tribos – трение, logos – наука) – наука о контактном взаимодействии твердых тел при их относительном движении, охватывающая весь комплекс вопросов трения, изнашивания, смазки и самоорганизации в машинах.
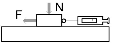
Однако еще до его рождения, в 1699 году, французский учёный Амонтон (Amontons) Гийом (Гильом) направил во Французскую академию письмо, в котором математически описал закон о прямой пропорциональности между нормальной силой (N), прижимающей одну трущуюся поверхность к другой, и силой трения (F) в виде:
F = ?N, где ? – коэффициент пропорциональности, названный впоследствии коэффициентом трения (рис. 2).

Рис. 2. Схема определения силы трения: F – сила трения; N – нормальная (прижимающая) сила
Сила трения — сила сопротивления при относительном перемещении одного тела по поверхности другого под действием внешней силы, направленной по касательной к общей границе между этими телами.
Гийом Амонтон писал: «Теперь, установив в достаточной мере природу трения и его законы, остается только сказать кое?что о правилах, по которым оно может быть сведено к расчету, дабы знать, каково трение в самых сложных машинах».
Трение – механическое сопротивление, возникающее в плоскости касания двух соприкасающихся, прижатых друг к другу тел при их относительном перемещении.
В опытах с медью, свинцом, железом и деревом Амонтон получил соотношение между силой трения F и силой нормального давления N равное 1/3. Во время своих опытов он покрывал все исследуемые образцы одним и тем же смазочным материалом – специальным жиром на основе свиного сала. С тех пор для смазывания трущихся деталей долгое время применяли искусственно производимые животные жиры, масла, древесный деготь и другие аналогичные препараты.
Великий итальянский художник, ученый, конструктор и т. д. – Леонардо да Винчи (Leonardo da Vinci) (1452–1519) также занимался вопросами трения. По результатам своих опытов он считал постоянным значение отношения F/N для всех материалов и равным 1/4.
Шарль Кулон, работавший на военных верфях Рошфор (западное побережье Франции), первый пришел к выводу о том, что сила трения F в подвижных соединениях зависит еще от одного параметра – адгезионной составляющей А, и переписал известную формулу в другом виде:
F = ? N + А.
В настоящее время этот закон носит наименование Амонтона – Кулона, или Леонардо да Винчи – Амонтона, который до начала XX века применялся в инженерной практике.
Адгезия (лат. adhaesio – прилипание) – соединение поверхностей двух разнородных твёрдых или жидких тел, связанное с межмолекулярным взаимодействием (вандерваальсовым, полярным, частично химическим или взаимной диффузией) в поверхностном слое.
Выдающийся российский механик – самоучка Иван Петрович Кулибин (1735–1818), состоя на службе при дворе российской императрицы Екатерины II, должен был изготовить плавный и бесшумный дворцовый лифт. Для этого лифта потребовались особые смазочные материалы, так как распространенные в то время смазки из растительного масла, сала и тем более дёгтя не могли быть использованы по причине неприятного, отдающего «деревней и мужиками» запаха. Применение Кулибиным твердой смазки из графита позволило оригинально решить эту деликатную проблему.
В 1763 году еще один гениальный русский механик – самоучка Иван Иванович Ползунов (1728–1766) выдвинул гениальную идею «огненной машины» (парового двигателя) и сумел собрать ее действующую модель. Он же впервые в мире изобрел двухцилиндровый двигатель.
Только через 20 лет, в 1784 году, шотландский изобретатель Джеймс Уатт (James Watt, 1736–1819) создал такой же паровой двигатель, который положил начало строительству серийной самодвижущейся транспортной техники. Трущиеся детали такой техники было необходимо регулярно смазывать, для чего применялись различные растительные и животные смазки.
Несколько позже, в 1812 году Генри Томас Хардакр запатентовал в Англии смесь графита и свиного жира в пропорции 1: 4 для получения пластичного смазочного материала.
Лауреат Ломоносовской премии Российской академии наук, один из самых первых и самых известных отечественных ученых – смазчиков – Николай Павлович Петров в 1883 году написал в своей ставшей классической книге «Трение в машинах и влияние на него смазывающей жидкости»: «Расходы на топливо для машин, считающихся у нас в России десятками миллионов, заслуживают самого серьёзного внимания. Увеличение расхода на топливо на 5 %, на 10 % может легко явиться вследствие неудовлетворительных условий смазывания, а это выразится в народном хозяйстве потерями миллионов рублей. Таковы теперь причины, заставляющие наших техников обратить свое внимание на правильный выбор смазочных материалов».
Работы Н. П. Петрова получили мировую известность. Независимо от зарубежных работ Б. Тауэра и О. Рейнольдса он разработал основы теории гидродинамической смазки, а также открыл законы трения концентрических радиальных подшипников.
В конце XIX – начале XX веков произошло постепенное замещение растительных и животных жиров минеральными маслами, получаемыми из нефти. В 1936 году У. Гарди выпустил работу «Избранные труды», посвященную преимуществам минеральных масел и анализу их отличий от органических масел в механизме влияния на процессы трения.
В далеком 1899 году в Англии сэр Ч. Вейкфилд основал маленькую компанию по исследованию и выпуску автомобильных масел. Спустя десять лет компания предложила автомобилистам новый уникальный смазочный материал на основе смеси минерального и касторового масел, давший впоследствии свое имя известной во всем мире фирме – Castrol.
Однако, несмотря на высокие функциональные свойства новых нефтяных масел, уже в то время эти обыкновенные минеральные масла не в полной мере удовлетворяли стремительно возраставшим эксплуатационным требованиям, предъявляемым к ним автомобилестроителями.
В 1909 году первому российскому шоферу – Василию Никитовичу Галактионову – было вручено особое свидетельство (аналог современного водительского удостоверения), где было указано, что его обладатель имеет право ездить по всей Российской Империи. Однако об автохимии он, пожалуй, на тот момент еще ничего не слышал, так как официальный отсчет её истории начался только в следующем году. Именно в начале 1910 года компания Castrol впервые стала добавлять к своим смазочным материалам дополнительные химические соединения и вещества (аддитивы – лат. additio – прибавление). Вначале это были обыкновенные соединения серы и молотый графит. Так что сейчас уже можно говорить о юбилее – вековой истории автохимической промышленности.
Начиная с 1920 года, практически все производители смазочных материалов начали разрабатывать и вводить в свою продукцию специальные присадки к маслам. В 1935 году фирма Castrol одной из первых в мире применила для повышения ресурса двигателя присадки на основе органических соединений хрома. Для разрабатываемых в те годы высокофорсированных (теплонагруженных) двигателей нефтяные масла оказались непригодны, так как они окислялись уже при 120 оС. Поэтому в 1949 году фирма одной из первых выпустила моторные масла с антикоррозионными и антиокислительными присадками.
Коррозионная активность нефтепродукта оценивается по коррозии на поверхности металлического образца после испытаний в этом нефтепродукте. Коррозия медных образцов оценивается изменением цвета, чугунных и стальных образцов – количеством очагов коррозии (пятен, точек, потускнений), а свинцовых образцов – потерей их веса.
Любительская автохимия зародилась в 1942 году в Чикаго (США), когда по заказу автомобильного концерна «General Motors» компания «CD-2» впервые разработала и выпустила в розничную продажу банку с антифрикционной присадкой к моторному маслу.
Ставший в настоящее время общепринятым термин «трибология» был впервые применен британскими учеными – экспертами в развернутом рапорте Парламенту Великобритании в 1966 году, когда рабочая группа под руководством профессора Питера Н. Джост (Jost H. Peter) – в настоящее время президента Международного трибологического совета (International Tribology Council, Лондон, Великобритания), и по поручению английского Министра образования и науки того времени лорда Франка П. Боудена (Bowden Frank Philip) (1903–1968) доложила о значении смазки для промышленности, экономики и государства в целом.
Рынок автохимии в Российской Федерации начал формироваться сравнительно недавно – в начале 90–х годов ХХ века. Динамика изменения ассортимента данного рынка по основным группам товаров (в самом общем виде) за последние двадцать лет представлена в табл. 1.
Таблица 1. Ассортимент рынка автохимии Российской Федерации в 1991–2010 годах


Согласно данным, приведенным в таблице 1, наибольшие изменения ассортимента товаров автохимии коснулись присадок и добавок к моторному маслу, присадок к бензину, клеев, адгезивов, герметиков, а также смазок и консервантов. Столь существенный рост свидетельствует о повышенном потребительском интересе к данным видам товаров.
Дизельное топливо – моторное топливо для дизельного двигателя внутреннего сгорания, а также газодизелей. Жидкий продукт желтоватого (соломенного) цвета с определенными физико – химическими характеристиками, получаемый из керосиново – газойлевых фракций прямой перегонки нефти (см. также «Солярка»).
В настоящее время на российском рынке автохимии в основном представлены препараты ведущих мировых производителей, а также некоторые образцы отечественного производства, которые набирают известность и популярность среди автомобилистов.
Были проведены опросы 550 респондентов на предмет степени известности среди автомобилистов средств автохимии, представленных на российском рынке, результаты которого представлены в табл. 2, с указанием страны – производителя и ценового сегмента.
Таблица 2. Известность марок автохимии, представленных на российском рынке


Согласно полученным данным, наибольшей известностью на рынке пользуется продукция американских фирм – производителей, а именно: Hi?Gear, ER, KW, Preston и некоторые другие. Безусловное доминирование американской продукции на российском рынке легко объясняется развитостью этого рынка в самих Соединенных Штатах, накопленным в этой связи огромным опытом американских производителей и искушенностью маркетологов. Из российских препаратов, благодаря применению международных приемов при их выводе на российский рынок, немалым успехом пользуются торговые марки Fenom и AGA.
В конце 1980 – начале 1990–х годов рынок автохимии в развитых странах переживал настоящий бум. Внедрение информационных технологий в химическую промышленность позволило создавать более эффективные препараты, а огромный автомобильный парк обеспечил устойчивый высокий спрос. В последующие десять лет тенденции развития данного рынка на Западе и в России имели противоположную направленность: если в развитых странах наметился определенный спад, обусловленный повышением качества производимых автомобилей, масел и технических жидкостей, то емкость российского рынка автохимии постоянно увеличивалась. В первую очередь это можно объяснить не менее, чем десятилетним технологическим отрывом автомобильной промышленности стран Запада от российской, последствия которого представлены в табл. 3.
Таблица 3. Особенности отечественного автомобильного рынка


В России 90–х годов прошлого века существовали внутренние условия для развития рынка автохимии. Наблюдался резкий рост парка частных и коммерческих автомобилей. Начиная с 1993 года, российский легковой автомобильный парк увеличивался примерно на 1 млн машин в год, достигнув уже к 2000 году 25 млн автомобилей.
Надежность – свойство объекта (прибора, инструмента, машины, агрегата, детали и т. д.) сохранять во времени в установленных пределах значения всех параметров, характеризующих способность выполнять требуемые функции в заданных режимах и условиях применения, технического обслуживания, ремонта, хранения и транспортирования.
Надежность является комплексным свойством, которое в зависимости от назначения объекта и условий его применения включает безотказность, долговечность, ремонтопригодность и сохраняемость.
Сменилось поколение легковых отечественных автомобилей. Выход на рынок переднеприводных семейств ВАЗ и «Москвич» потребовал более качественных автомобильных масел и технических жидкостей для их должного обслуживания.
Существенный рост числа подержанных иномарок, эксплуатируемых на территории постсоветского пространства (табл. 4), неприспособленность к российским условиям эксплуатации и высокая стоимость ремонта этих автомобилей побуждали владельцев искать альтернативные способы продления безремонтного пробега и снижения эксплуатационных затрат.
Таблица 4. Примерное соответствие автомобилей экологическим классам выбросов, в зависимости от их года выпуска и страны происхождения

* В Европейский Союз входят: Австрия, Бельгия, Болгария, Великобритания, Венгрия, Германия, Греция, Дания, Ирландия, Испания, Италия, Кипр, Латвия, Литва, Люксембург, Мальта, Нидерланды, Польша, Португалия, Румыния, Словакия, Словения, Финляндия, Франция, Чехия, Швеция и Эстония.
К настоящему времени рынок автохимии в России можно считать в целом сформировавшимся. На нём представлены все основные группы товаров и большинство мировых производителей. Также началось развитие российского производства автохимии. За последние годы произошла профессионализация продавцов, в качестве которых выступают небольшие оптовые фирмы. Все вышесказанное позволяет сделать вывод о том, что автохимия в России в полной мере является отраслью «рыночной субэкономики».
Важнейшим блоком информации о внешней среде, необходимым для разработки стратегии, является маркетинговая информация о потребителях продукции. Для оценки финансовой привлекательности российского рынка присадок был проведен анализ потенциала российского рынка присадок. В основу метода анализа потенциала рынка была положена зависимость объема потребления от числа потребителей.
В целом сегодня емкость российского рынка автохимии оценивается примерно в 250–280 млн долларов в год, что делает этот рынок весьма привлекательным, особенно для компаний, ориентированных на инновации и обладающих эффективными уникальными ресурсосберегающими технологиями.
Ресурс – наработка (продолжительность или объём работ) объекта от начала эксплуатации или её возобновления после капитального ремонта до наступления предельного состояния.
По данным TNS Gallup, примерная численность покупателей автохимии в Москве – 1 120,8 тыс. человек, что составляет около 41 % от общего числа автовладельцев. По данным розничных торговых сетей, в среднем каждый из покупателей совершает покупку один раз в три месяца, затрачивая каждый раз около 350 р. (12 долларов США). Таким образом, емкость московского рынка автохимии оценивается в 40,3 млн долларов США в розничных ценах.
Если учесть, что московский парк автомобилей составляет 13 % от всего российского автопарка, а также соотношение московского и регионального платежеспособного спроса, то можно оценить емкость национального рынка автохимии на уровне 150–180 млн долларов США. При этом типовой портрет покупателя остается неизменным для всех регионов России – мужчина среднего возраста со средним или высоким достатком.
Стремительное развитие науки и техники, рост нагрузок и скоростей при эксплуатации автомобильного и других видов транспорта потребовали дальнейшего повышения качества применяемых смазочных материалов. Новое развитие автохимическая промышленность получила в конце XX века с приходом в эту отрасль ученых и практиков из фирм – разработчиков и производителей препаратов класса «Hi?Tech» (высоких технологий), применяемых ранее только в военной и космической промышленности, например нанотехнологий.
Нанотехнология — (греч. nanos – карлик, приставка для образования наименования дольных единиц, равных одной миллиардной доле исходных единиц. Обозначения: н, n. Пример: 1 нм = 10—9 м), процесс разделения, сборки и изменения свойств материалов путем воздействия на них одним атомом или одной молекулой вещества.
В настоящее время возникло и успешно развивается самостоятельное научно – техническое направление – безразборный технический сервис.
Безразборный сервис (англ. service — производить осмотр и текущий ремонт) – комплекс технических и технологических мероприятий, направленных на проведение операций технического обслуживания и ремонта узлов и механизмов без проведения разборочно – сборочных операций. Безразборный сервис может включать операции обкатки, диагностики, профилактики, химмотологического тюнинга, очистки и восстановления, как отдельных трущихся соединений, так машин и механизмов в целом.
К безразборному сервису относятся не только сами присадки и добавки к различным автомобильным технологическим средам, но и в большой степени особые препараты и технологии по их применению, часто называемые «специальная обработка» (англ. Special Treatment). Из?за особенностей применения и функционирования в одних условиях они могут проявлять свои самые положительные качества, в других будут менее эффективными, в – третьих, бесполезными, а иногда даже вредными. Что это за условия, и каковы особенности применения данных препаратов автохимии, раскрывается в следующих разделах данной книги.
Более 800 000 книг и аудиокниг! 📚
Получи 2 месяца Литрес Подписки в подарок и наслаждайся неограниченным чтением
ПОЛУЧИТЬ ПОДАРОКДанный текст является ознакомительным фрагментом.