Поиски путей замены природного флюорита. Искусственные кристаллы

Флюоритовый «голод», с которым столкнулась оптическая промышленность уже в 30-х годах, заставил искать заменители оптического флюорита. Однако подходящих материалов найти не удавалось: они либо существенно уступали флюориту по оптическим показателям, а те, у которых оптические свойства были более или менее подходящими, имели другие дефекты (были нестойкими к воздействию растворителей, даже паров воды, обладали низкой прочностью и т. д.). Словом, в оптическую технику их вводить было нельзя. Оставалась единственная возможность — заменить природный оптический флюорит искусственным.

Нужно заметить, что проблема получения искусственных кристаллов была к тому времени уже не нова. Еще в середине XVIII в. были уже синтезированы многие минералы, а к концу XIX в. их число достигло нескольких сотен [Чирвинский, 1903—1906]. Был в списке синтезированных минералов и флюорит. Первый синтез флюорита относится, очевидно, к середине XIX в. Сенармонт в 1855 г. получил хорошо ограненные флюоритовые кристаллы с кубическими и октаэдрическими гранями путем перекристаллизации в запаянной стеклянной трубке геля CaF2 [Doelter, 1931]. Подобные же удачные эксперименты, но в среде с HCl, были проведены Беккуорелом. Затем он перешел к диффузионному методу и в условиях встречной диффузии NH4F и CaCl2 получил сравнительно крупные кубические и октаэдрические кристаллы. Шеерель и Дрехсель в 1824 г. осуществили первый синтез флюорита из расплава-раствора CaCl2, KCl и NaF. Кристаллики флюорита получали воздействием газообразной HF на известково-натровое стекло, обработкой разбавленной плавиковой кислотой кальцит-кварцевого песка (такие опыты проводил, например, в 1921 г. Ветцель), плавлением сиенита в атмосфере HF [Leeder, 1979]. В приложении к флюориту были испробованы все возможные методы и все они дали положительные результаты, если считать за таковые получение кристаллов флюорита, но кристаллы эти были настолько мелкими, что ни один из методов их получения нельзя было принять за основу в разработке промышленных технологий. Нужны были специальные исследования, и они проводились во всех странах.

Флюорит, как известно, образуется различными способами — из холодных и горячих растворов, расплавов, газовой фазы и т. д. На основе теоретических представлений любой механизм флюоритообразования, если он работает в строго определенных условиях, может привести к формированию крупных совершенных кристаллов. Но на практике теоретические прогнозы оправдываются не сразу и далеко не всегда, главным образом потому, что трудно сразу определить эти оптимальные условия. Наиболее перспективными считались диффузные, гидротермальные и расплавные методы, и в этих трех направлениях были сосредоточены технологические поиски.

Метод встречной диффузии

Флюорит может выпадать в кристаллический осадок в обычных условиях (при атмосферном давлении и комнатной температуре) в результате многих реакций, например

CaSO4 + 2KF = ?CaF2 + K2SO4;

2NH4F + CaCl2 = ?CaF2 + 2NH4Cl.

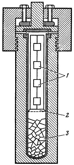
Рис. 14. Кристаллизаторы для выращивания кристаллов флюорита методом встречной диффузии реагентов

1 — раствор CaSO4; 2 — раствор KF; 3 — жидкое стекло, раствор агар-агара или желатины; 4 — кристаллики флюорита

Эти и подобные им реакции протекают очень быстро, поэтому осадок получается мелкокристаллическим, отдельные кристаллы можно рассмотреть лишь под микроскопом. На основе именно таких химических процессов необходимо найти метод получения крупных монокристаллов: он был бы самым дешевым, экономичным, не требовал энергетических затрат и сложного оборудования. Очевидно, что такого результата можно добиться, если резко снизить скорость реакции и направить весь образующийся материал на встраивание в один кристалл или небольшое число кристаллов.

Скорость реакции можно замедлить, если замедлить поступление реагирующих компонентов в зону реакции, уменьшить скорость диффузии. Лучший способ уменьшения скорости диффузии — использование вязких сред.

Выращивание кристаллов осуществляется следующим образом. В качестве кристаллизатора используется U-образная трубка или любая система типа сообщающихся сосудов, например маленький химический стакан в большом стакане или плоская чашка с емкостями для реагентов (рис. 14). В нижнюю часть трубки заливается вязкая жидкость, например жидкое стекло, агар-агар, желатина и т. п. После застывания жидкости в желеобразную массу в каждое колено заливают растворитель (воду) и засыпают разные реагирующие вещества. Эти вещества начинают диффундировать навстречу друг другу, и, когда диффузионные фронты соединятся, начинается кристаллизация флюорита. Было бы полезным применять затравочные кристаллики, но трудно предвидеть точное положение зоны реакции, куда их надо поместить, поэтому синтез чаще проводился без затравочных кристаллов: возникшие зародыши растут самопроизвольно.

Методом встречной диффузии получены кристаллы флюорита размером до 10 мм, причем растут они очень медленно, месяцами, поэтому этот метод пока не находит промышленного применения. Однако он достаточно перспективен, чтобы продолжать поиски в этом направлении. Для некоторых веществ уже удалось получить кристаллы величиной в несколько сантиметров.

Гидротермальный метод

Наиболее совершенные природные кристаллы оптического флюорита образуются, как было показано выше, в гидротермальных условиях. Гидротермальным же способом удалось наладить получение в промышленных масштабах оптических кристаллов других минералов, в частности кварца, которые по качеству не уступают природным.

Выращивание кристаллов гидротермальным методом производят в специальных реакторах — автоклавах (рис. 15), способных длительное время выдерживать агрессивные среды, высокие температуры и давления. Обычно автоклав имеет вид толстостенных цилиндрических сосудов, выполненных из специальных жаропрочных сортов сталей или титана. В автоклав вставляется точно подогнанный по диаметру тонкостенный вкладыш из химически стойкого материала — платиновой, серебряной или золотой фольги, фторопласта. В процессе экспериментов этот вкладыш плотно приваривается к стенкам автоклава. Сверху автоклав закрывается массивной крышкой с уплотнительными кольцами, которая затягивается по резьбе или болтами, обеспечивая абсолютную герметичность.

Процесс выращивания осуществляется следующим образом. На дно автоклава засыпается шихта — зернистая крупка того минерала, кристаллы которого мы намерены получить; в интересующем нас случае это должен быть дробленый флюорит. В верхней части на платиновой или нихромовой проволочке подвешивается кристаллик флюорита или пластинка, вырезанная из кристаллика, или несколько таких пластинок. Это затравки для выращиваемых кристаллов. Автоклав заполняется подходящим растворителем, например водными растворами HCl, LiCl или NH4Cl и т. п., причем не полностью, а таким образом, чтобы обеспечить при нагревании до определенной температуры требуемое давление внутри автоклава. Требуемая степень заполнения рассчитывается по диаграмме состояния раствора. Если автоклав заполнен водой, например, на 80%, то при нагревании до 245° C произойдет полное заполнение объема, а при 300° C давление достигнет уже 2000 кГ/см2. Подбирая коэффициент заполнения, мы можем добиться любого сочетания РТ-параметров.

Рис. 15. Схема автоклава для выращивания кристаллов гидротермальным методом

1 — затравки для выращиваемых кристаллов; 2 — диафрагма; 3 — шихта (дробленый флюорит)

Рис. 16. Изменения количества (n), размера (r) и формы кристаллов флюорита по высоте автоклава (гидротермальное выращивание без затравки)

Затем автоклав помещается в цилиндрическую печь, особенности теплового поля внутри которой позволяют нагревать нижнюю часть автоклава, ту, где находится шихта, несколько сильнее, чем верхнюю. По оси автоклава создается, таким образом, термический градиент, обычно в 15—20° С, вызывающий конвекцию и создающий непрерывную циркуляцию раствора в автоклаве. Шихта в нижней части автоклава, находящаяся в наиболее высокотемпературных условиях, растворяется; растворенное вещество конвекционным потоком переносится вверх, в более холодную зону, где находятся затравки. Поскольку растворимость CaF2 в большинстве растворов возрастает с повышением температуры, то при движении снизу вверх раствор от недонасыщенного переходит в насыщенный, а затем и в пересыщенный: происходит кристаллизация флюорита, и затравочные кристаллы начинают расти. Раствор сбрасывает избыток растворенного вещества и в нисходящем потоке опускается вниз, где снова насыщается, растворяя шихту. Так в результате непрерывной циркуляции осуществляется непрерывный подток вещества к затравкам и непрерывный рост кристаллов.

Таблица 2. Результаты экспериментов по выращиванию кристаллов флюорита гидротермальным способом

Исследователь и время проведения экспериментов или время публикации результатов Раствор и концентрация, % t, °С(?t, °С) P, кГ/см2 (степень заполнения автоклава, %) Прочие условия экспериментов Результаты экспериментов И. Н. Аникин, В. П. Будузов, А. Д. Шушканов [1965], И. Н. Аникин, А. Д. Шушканов [1963] LiCl 45—50 450—480 (10—15) 200 Pt-футеровка: затравки — пластины и шары Небольшие кристаллы вырастали за 2,5 часа Дж. Либертц [Liebertz, 1965] NH4Cl 4н 400—450 2000—2800 Au-ампула Октаэдрические кристаллы до 1,5 мм А. Э. Гликин, Т. Г. Петров [1966] LiCl 44 400—500     Кристаллы до 0,5 мм NaCl 30 ~50 Д. Рикл, Я. Бауэр [Rykl, Bauer, 1972] NH4Cl 3-8 300-500 (20—40) 400—1000 Ag-футеровка Кристаллы разной формы, размером 0,04—1,2 мм Оптимальные условия NH4Cl 3-5 350 400 А. Ф. Куин, 1972—1975 гг. [Кунц, 1974, 1976] NaCl 2н 300—360 100—400 Фторопластовые вкладыши, ?Т = 10—20° С; без затравок и на затравку, продолжительность 161—340 ч Без затравки получены кристаллы до 2 мм, в агрегатах — до 5 мм, на затравку нарощен слой до 2,5 мм HCl 4,3 200—500 50—1000 LiCl 44 250 100 NH4Cl 27 500 1000 NaHCO3 10 300 100 Б. Зидарова [1978] NH4Cl 5—10 130—500 (8—41) 400—1200 Cu- и Ti-вкладыши; шихта — природный флюорит и реактивный CaF2; Кристаллы разной формы, размером 0,1—3 мм в опытах с NH4Cl, 0,1—8 мм в опытах с LiCl. LiCl 20—44,6 130—500 (8—41) 400—1200 Na2CO3 6—8 130—450 (25—30) 200—1200 продолжительность 144—312 ч С Na2CO3 кристаллы не получаются. На затравке нарастание незначительное

Автоклавы могут быть и более сложными. Иногда в них вводится диафрагма, отделяющая зону шихты от зоны роста, шихта может помещаться в специальные корзинки, в автоклавы вводятся контрольно-измерительные элементы (термопары, манометры, приспособления для отбора проб раствора и т. п.). Создаются целые системы автоклавов. Автоклавы, внутри которых развиваются очень высокие давления, во избежание взрыва помещают в стальные или бетонные сейфы. Контроль параметров и управление процессами ведутся автоматически.

В разных странах предпринимались многочисленные попытки получить кристаллы флюорита гидротермальным способом. Результаты некоторых экспериментов приведены в табл. 2. Как видно из таблицы, эксперименты проводились в самых различных условиях. Кристаллизационные среды выбирались самые оптимальные, температуры варьировали от 100 до 500° С, давления — от 50 до 2800 кГ/см2, продолжительность экспериментов достигала нескольких месяцев. Однако кристаллические затравки увеличивались очень незначительно, а самопроизвольно зарождавшиеся кристаллы, хотя и весьма совершенные, достигали всего лишь 1—3 мм в поперечнике (фото 8, см. вкл.). Видимо, кристаллы вырастают в течение нескольких часов до этой предельной величины и дальше не растут или растут очень медленно. Только Б. Зидаровой из Болгарии удалось получить за 12,5 сут кристаллы до 6—8 мм по ребру куба в экспериментах с 44,6%-ным LiCl при очень высоких температуре (500° С) и давлении (1100 кГ/мм2).

Затравка почему-то «не хочет» расти, как это хотелось бы нам, т. е. чтобы все вещество шло на затравку. В зоне роста на крышке и стенках автоклава образуется множество паразитических кристалликов. На рис. 16, по данным А. Ф. Кунца, показана картина распределения кристаллов и изменения их размеров и формы в автоклаве без затравки (условия: LiCl; t=360° С; ?t = 10—20° С). Видно, что и количество и размеры кристалликов больше всего в зоне высокого пересыщения; здесь же усложняется и топография кристаллов. При еще более высоких пересыщениях отдельные кристаллы соединяются в агрегаты, образуются сплошные кристаллические корки (фото 9, см. вкл.).

Если взять большое количество шихты, более 20% от объема автоклава, то в результате возникновения локальных пересыщений будет происходить перекристаллизация шихты. В нижней части автоклава на его стенках и в пустотах образуются друзы кристаллов флюорита, причем размер отдельных кристаллов крупнее, чем в верхней части автоклава.

В результате экспериментов по гидротермальному выращиванию кристаллов флюорита получены очень интересные данные по зависимости формы кристаллов от условий кристаллосинтеза: химизма среды, термодинамических параметров. В растворах NH4Cl и LiCl, например, с увеличением пересыщения, т. е. с увеличением термического градиента, габитус кристаллов от октаэдрического постепенно переходит в кубический, при этом увеличиваются и размеры кристаллов. На основе экспериментальных данных для каждого типа растворов установлены поля устойчивости кубических, кубооктаэдрических и октаэдрических кристаллов в РТ-координатах [Кунц, 1976]. Установлены зависимости физических свойств кристаллов от условий кристаллосинтеза.

Таким образом, гидротермальным методом пока не удается получать оптические кристаллы флюорита и даже не удается определить наиболее обещающий путь дальнейших поисков. Однако результаты проведенных экспериментов оказались полезными для геологов и минералогов как инструмент для расшифровки условий образования природных флюоритовых месторождений по особенностям флюоритовых кристаллов. Кроме того, они «закрестили» бесперспективные, тупиковые пути, заставили искать новые.

Технологические аспекты эффективного способа гидротермального выращивания кристаллов флюорита продолжаются.

Кристаллизация из расплавов

Если кристаллы оптического флюорита не получаются относительно дешевыми диффузионными и гидротермальными методами, то можно остановиться на одном из хорошо разработанных расплавных методов. Казалось бы, что проще: расплавить природный флюорит и закристаллизовать его в монокристалл путем медленного охлаждения. Однако температура плавления высока — около 1420° С.

Попытки получения кристаллов оптического флюорита из расплава также долгое время оставались безуспешными. Причиной неудач была исключительно высокая химическая активность фтора. Расплавленный флюорит жадно «хватает» из воздуха кислород, в нем интенсивно развивается гидролиз

CaF2 + H2O ? 2HF?.

Образующаяся в результате гидролиза CaO не изоморфна с CaF2 и не может закономерно встроиться в кристаллическую решетку флюорита. Она кристаллизуется в виде самостоятельной тонкодисперсной фазы, насыщающей флюоритовые кристаллы. Показатель преломления примесной фазы более высокий, чем флюоритовой матрицы, поэтому в кристаллах флюорита возникает множество центров светорассеяния. Кристаллы получаются непрозрачные, молочно-белые, фарфоровидные, в лучшем случае мутные опалесцирующие, а чаще всего вместо кристаллов образуются агрегаты. И ни один из методов (были опробованы все методы, известные сейчас как методы Чохральского, Тамманна, Наккена, Киропулоса, Обреимова—Шубникова, Бриджмена, Штебера, Вернеля и др.) в их классическом варианте не мог преодолеть этот барьер.

И здесь нужны были специальные поиски.

Метод Шамовского—Стокбаргера—Степанова. Главный успех в разработке промышленного способа получения оптических монокристаллов флюорита в отечественной и зарубежной литературе связывают с именем Д. Стокбаргера, и ведущий метод носит название метода Стокбаргера.

Д. Стокбаргер в США сделал первый шаг в расплавном выращивании флюорита еще в 1927 г., но этот шаг был неудачным из-за гидролиза, о котором мы говорили выше. Не дали положительных результатов и другие исследования, проведенные в 20-х годах в США в Гарвардском университете и в Массачусетском технологическом институте, а также в 30-х годах в Институте галургии в Ленинграде.

В это же время подобные исследования во Всесоюзном институте минерального сырья (ВИМС) начал Л. М. Шамовский. Ему, пожалуй, первому удалось понять причину предыдущих неудач, заключавшуюся в гидролитическом образовании посторонней фазы CaO, и он предложил для преодоления этого препятствия использовать вакуумную технику. В 1937 г. он получил первые оптические кристаллы [Юргенсон, 1980]. Позднее со своими учениками Л. М. Шамовский ввел в технологию еще одно важное усовершенствование: он применил для удаления окиси кальция и раскисления расплава фторид кадмия [Шамовский и др., 1970].

Независимо от Л. М. Шамовского, но значительно позднее причину дефектности кристаллов флюорита, выращиваемых в воздушной атмосфере, выявил и Д. Стокбаргер [Stockbarger, 1949]. Чтобы исключить взаимодействие расплава CaF2 с воздушной средой, он разработал свой метод выращивания на основе метода Бриджмена [Bridgman, 1925], который является разновидностью метода Обреимова—Шубникова, предложенного еще в 1924 г.

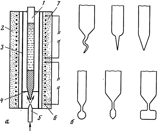
Общим во всех этих методах является то, что материал, из которого выращиваются кристаллы, помещают в контейнер. Контейнер вводится в печь с термическим градиентом. В высокотемпературной части печи содержимое контейнера расплавляется, затем контейнер переводится из высокотемпературной части печи в низкотемпературную, и в тот момент, когда он проходит через изотерму плавления, в нем начинается кристаллизация. Из зародившихся на дне контейнера кристаллов в результате геометрического отбора выживает тот, который наиболее благоприятно ориентирован, т. е. направлением наибыстрейшего роста параллельно оси контейнера. Для ускорения геометрического отбора дно контейнера делается остроконическим, с пережимом, гасящим все паразитические кристаллы (рис. 17). Форма полученных кристаллов определяется формой контейнера.

Рис. 17. Схема аппарата для выращивания монокристаллов по методу Обреимова — Шубникова (а) и формы контейнеров (б)

1 — контейнер; 2 — печь; 3 — медный цилиндр; 4 — опора; 5 — сопло; 6 — электрообмотка; 7 — теплоизоляция

В методе Обреимова—Шубникова контейнерами являются запаянные пробирки, из которых откачивается воздух и создается вакуум 1?10-2 мм рт. ст. Они помещаются в цилиндрическую печь и закрепляются на держателе. Суженный конец пробирки охлаждается поступаемой через сопло холодной струей воздуха, и в нем возникает кристаллический зародыш, который затем разрастается в монокристалл, заполняя всю пробирку.

В методе Бриджмена контейнером является тигель, который перемещается в градиентной печи с помощью пружинного механизма или электромотора со скоростью, несколько меньшей скорости роста кристалла. Вместо тигля может перемещаться печь, а тигель оставаться неподвижным.

Д. Стокбаргер получил первые кристаллы флюорита, прозрачные в видимой области спектра, методом Бриджмена, используя в качестве контейнера запаянную вакуумированную ампулу с флюоритовой шихтой. Затем он несколько изменил этот метод.

Метод Стокбаргера, которым в основном выращиваются кристаллы флюорита, отличается от метода Бриджмена тем, что градиент между высокотемпературной и низкотемпературной зонами более крутой. Он достигается тем, что нагревательная печь делается из двух секций, разделенных тонкой металлической перегородкой — диафрагмой с отверстием для прохождения контейнера. Температура t1 в верхней части печи выше точки плавления вещества, t2 — несколько ниже. Нижним концом контейнер опирается на охлаждаемый металлический стержень, по которому отводится тепло. Установка должна быть вакуумируемой, т. е. в печи должен создаваться вакуум около 10-4 мм рт. ст. Выращивание может вестись в атмосфере H2F2. В качестве контейнеров обычно используются графитовые тигли или тигельные блоки достаточно больших размеров, но с относительно тонкими стенками.

Исходным материалом у Д. Стокбаргера был природный флюорит. К нему добавлялось около 2% фторида свинца, чтобы вывести продукты гидролиза, так как образующаяся по схеме CaO+PbF2 ? CaF2+PbO окись свинца легко испаряется в процессе плавления. Л. М. Шамовский, как мы помним, для этой цели применял фторид кадмия.

Дальнейшее развитие метод Шамовского—Стокбаргера получил в работах И. В. Степанова и П. П. Феофилова, которыми и были по сути заложены основы промышленной техники и технологии промышленного выращивания кристаллов флюорита для оптического приборостроения.

И. В. Степановым совместно с М. А. Васильевой была сконструирована довольно эффективная высокотемпературная вакуумная установка для выращивания кристаллов флюорита, в которую входят высокотемпературная печь, системы электропитания, терморегулирования, охлаждения, вакуумная система [Степанов, Феофилов, 1957].

Вакуумная печь состоит из вакуумной камеры, нагревателя и защитных отражающих экранов. Верхняя «горячая» камера печи отделена от нижней «холодной» камеры диафрагмой. Вакуумная камера ограничена водоохлаждаемым колпаком и плитой, герметически соединенных между собой. Отражательные экраны предназначены для концентрации тепла в рабочем пространстве печи и предохранения колпака от нагрева. Тигель из тонкой молибденовой жести устанавливается в печь на подвижную подставку с водоохлаждаемым штоком — строго концентрично относительно нагревателя. Вертикальное поступательное движение штока обеспечивается электромеханической системой. Управление тепловым режимом печи осуществляется программными терморегуляторами, работающими в комплексе с термопарами. Вакуум в установке создается системой форвакуумных и высоковакуумных диффузионных насосов.

Фото 1. Винтовая дислокация в кристалле флюорита, декорированная CaO. По Р. Хейману [1979]

Фото 2. Блочность природного (а) и искусственного (б) кристалла флюорита

Фото 3. Скелетный кристалл флюорита

Фото 4. Двойник флюорита по (111)

Фото 5. Фигуры травления на грани (111) кристалла флюорита, протравленной в H3PO4 (85%) при 140° С в течение 20 мин. По Р. Хейману [1979]

слева — в нормальном свете; справа — интерференционная картина

Фото 6. Газово-жидкие включения во флюорите

Фото. 7. Друза кристаллов флюорита из Куль-и-Колона

Фото 8. Кристаллы флюорита, полученные гидротермальным методом. Увел. 10

Фото 9. Друза кристаллов флюорита, выращенных гидротермальным методом. Увел. 10

Фото 10. Крупные полости (пузыри) в искусственном кристалле флюорита, выращенном в форме пластинки. Нат. вел.

Фото 11. Монокристаллы флюорита в виде блоков-булей. Производство Народного предприятия «Карл Цейс Йена» в ГДР

Фото 12. Зоны деформаций и монокристальные участки в природном флюорите

Фото 13. Неравномерное распределение радиационной окраски в облученном пластинчатом кристалле флюорита, отражающее неоднородность теплового поля в процессе выращивания

Фото 14. Кристаллы флюорита, выращенные в виде заготовок деталей заданной формы и размеров

Фото 15. Оптические детали, изготовленные из заготовок заданной формы

Фото 16. Оптическая деталь, изготовленная из крупногабаритного кристалла искусственного флюорита

Фото 17. Нитевидный кристалл флюорита [Desai, John, 1978]

Фото 18. Оптические детали из флюоритовой керамики (слева) и монокристалла (справа)

Фото 19. Интерферограммы изделий из флюоритовой оптической керамики (справа) и монокристалла (слева). Образцы равной толщины

Фото 20. Флюоритовые окна, смонтированные на стандартных вакуумных фланцах (производство фирмы «Харшау», США)

Главное отличие установки И. В. Степанова от установки Д. Стокбаргера заключается в том, что в первой исключен нагрев нижней части печи, но зато в верхней, кроме бокового нагревателя, введен кольцевой нагреватель диафрагмы, благодаря чему увеличивается температурный градиент в зоне роста кристалла и регулируется форма изотерм кристаллизации. Установка позволяет устойчиво поддерживать температуру в пределах 800—1500° С при вакууме порядка 2—5?10-4 мм рт. ст. Это было достигнуто благодаря выполнению ряда условий: 1) предельному уменьшению вакуумного объема за счет выноса за его пределы всех вспомогательных деталей, особенно тех. которые имеют полузакрытые полости, затрудняющие откачку газов; 2) удалению из вакуумного пространства материалов с затрудненной газоотдачей (керамики, слюды, волокнистых и порошковых термоизоляционных материалов); 3) использованию термостойких и одновременно фтороустойчивых материалов (химическая активность паров фтористых соединений при высоких температурах очень велика); 4) обеспечению перемещения тигля в вакууме без нарушения герметичности рабочей зоны.

Технология получения кристаллов по И. В. Степанову и П. П. Феофилову мало отличалась от стокбаргеровской технологии. Исходной шихтой также служил очищенный природный плавиковый шпат, так как реактивный CaF2 даже самых «чистых» марок давал вместо кристаллов фарфоровидные агрегаты. Но если реактив перекристаллизовать и получить более крупные зерна, то можно и его использовать как шихту. Для вывода кислорода также вводится фтористый свинец в количестве 0,25 вес. %.

Смесь флюоритовой шихты с PbF2 загружается в цилиндрический с коническим концом тигель, который устанавливается на подставке в верхней камере печи на 20—25 мм выше диафрагмы. Затем установка герметизируется и вакуумируется до рабочего давления в нагретой камере порядка 10-3 мм рт. ст. Материал в тигле расплавляется. При достижении температуры плавления тигель с расплавом из верхней «горячей» камеры печи опускается со скоростью около 10 мм/ч в нижнюю «холодную» камеру. При понижении температуры происходит образование зародыша и рост монокристалла. Выращенные монокристаллы медленно охлаждаются в верхней части печи. Затем кристаллы извлекаются из тигля легкими ударами по его дну.

Выращенные кристаллы обычно имеют большие внутренние напряжения, снятие которых производится отжигом. Кристалл выдерживается в специальной безградиентной печи при температуре около 1000—1100° С несколько часов и затем медленно со скоростью около 20 град/ч охлаждается до комнатной температуры.

Способом И. В. Степанова и П. П. Феофилова были получены монокристаллы фтористого кальция в виде цилиндрических буль диаметром 40 (вес 200 г) и 60 мм (вес 800 г), пригодные для изготовления деталей к оптическим приборам. Выращенные кристаллы обладали более высокой, по сравнению с природными, термической устойчивостью.

В дальнейшем метод Шамовского—Стокбаргера—Степанова несколько изменялся и совершенствовался, но в основе любых модификаций обязательно реализовались следующие главные условия: 1) создание глубокого вакуума (не менее 4—5?10-4 мм рт. ст.) для исключения пирогидролиза фторида кальция и сохранения внутренней оснастки ростовой печи в ходе высокотемпературного кристаллизационного процесса; 2) использование специально отобранного и очищенного по определенной методике природного флюорита с добавлением в него специальных «раскислителей» — PbF2 или CdF2 (для удаления следов кислородсодержащих примесей); 3) обеспечение требуемых температурных градиентов в зоне роста кристаллов путем введения разделительной диафрагмы, использованием активно охлаждаемого штока и др., создание условий эффективного отбора скрытой теплоты кристаллизации, выделяемой в процессе выращивания кристаллов.

Метод Шамовского—Стокбаргера—Степанова стал главным и наиболее эффективным методом получения оптических монокристаллов флюорита. Он стал основой для разработки промышленных технологий во всех странах [Финкельштейн, 1966; Duyk, 1971; Leeder, 1979].

Метод Наккена—Киропулоса. Те технологические «находки», на основе которых развился метод Шамовского—Стокбаргера—Степанова, позволили получать оптические кристаллы флюорита и другими расплавными методами, например методом Наккена—Киропулоса.

Смысл этого метода заключается в том, что в тигель с расплавом, находящийся в печи, опускается кристаллодержатель с затравкой, который одновременно является холодильником, по которому осуществляется отвод тепла потоком воздуха или воды. Расплав все время поддерживается в состоянии несколько выше точки плавления данного вещества. Рост кристалла определяется особенностями теплообмена между кристаллоносцем, затравкой и расплавом. В таких условиях изотермы в расплаве располагаются концентрически вокруг относительно холодной затравки. Затравка медленно вращается и очень медленно, со скоростью несколько миллиметров в час, поднимается. Скорость роста определяется интенсивностью охлаждения затравки. Из-за особенностей теплоотвода растущий кристалл из полиэдрического постепенно превращается в полусферический. Диаметр затравки должен составлять около 1/4 диаметра выращиваемого кристалла.

Выращивание кристаллов флюорита должно обязательно проводиться в герметизированной аппаратуре в инертной атмосфере или в вакууме. Вместо вытягивания кристалла осуществляется медленное опускание вращающегося тигля с расплавом. Хороших результатов по выращиванию кристаллов флюорита этим методом добились, например, К. Рао и А. Смакула.

В условиях вакуума, используя для уменьшения потерь на испарение давление аргона в 250 мм рт. ст. и добавляя в шихту около 2% PbF2, они получили совершенные флюоритовые були диаметром 20 мм и длиной 40 мм.

Метод зонной плавки. Этот метод для получения монокристаллов флюорита, легированных редкоземельными элементами, применил Г. Гуггенхейм [Вильке, 1977]. Он проводил зонную плавку флюорита в защитной фтористоводородной атмосфере в графитовой лодочке, проходящей через нагреватель со скоростью 2,5—30 см/ч. Были выращены кристаллы оптического качества размером 2,5?2,5?2,5 см.

Метод Чохральского. Кристаллы оптического флюорита теперь можно получать и методом Чохральского, который если и не так удобен, как метод Стокбаргера, но широко распространен и освоен многими лабораториями. Этот метод близок к методу Наккена—Киропулоса. Так же из расплава вытягивается затравка, но кристаллизация происходит не в самом расплаве, а в мениске расплава под затравкой, несколько возвышающемся над его уровнем. Одновременно с вытягиванием из расплава растущий монокристалл вращается вокруг вертикальной оси; в результате получаются симметричные цилиндрические кристаллы, довольно совершенные и очищенные от примесей. Очистка от примесей в процессе роста кристалла — это очень важное преимущество метода Чохральского.

Аппаратура для выращивания кристаллов методом Чохральского очень разнообразна. Для получения кристаллов оптического флюорита необходима вакуумная аппаратура. Флюоритовый расплав удерживается в молибденовых, платиновых, иридиевых или графитовых тиглях под защитой аргона или азота. Нагревание высокочастотное. Вытягивание затравки осуществляется со скоростью 1,2—15 см/ч, вращение затравки — 14—60 об/мин, вращение тигля — до 20 об/мин. Кристаллы получаются длиной 25—100 мм и диаметром 3—12 мм.

Обеспечение качества искусственных кристаллов оптического флюорита

Первые искусственные кристаллы оптического флюорита были лучше природных, пожалуй, только прочностными характеристиками. Они обладали несколько большей твердостью, меньшей хрупкостью, не растрескивались и не распадались на мелкие осколки при 300—350° С, как природные, стойко выдерживали нагрев до температуры плавления флюорита.

Но по оптическим свойствам, т. е. по тем, которые и определяют уникальность флюорита как оптического материала, искусственные кристаллы значительно уступали природным. Они характеризовались более узким волновым диапазоном пропускания в УФ-области и даже в видимой части спектра имели полосы поглощения, выражающиеся в густой красно-фиолетовой окраске. Кристаллы, как правило, сильно люминесцировали. Неприятные следствия порождали пузырность, блочность кристаллов, остаточные напряжения и другие дефекты. Надо было найти способы устранения этих дефектов.

Спектральное пропускание. Область спектрального пропускания первых искусственных кристаллов была уже, чем природных, интенсивность пропускания во всем спектральном диапазоне значительно ниже. В УФ-области кристаллы были совершенно непрозрачны и непригодны для ультрафиолетовой техники, да и видимая область характеризовалась наличием нескольких полос поглощения. Только в ИК-области качество искусственных кристаллов было достаточно хорошим. И еще одно неприятное обстоятельство: кристаллы отличались удивительно сильной фотохимической чувствительностью, они легко окрашивались под действием ультрафиолетового, рентгеновского и ?-облучения.

И. В. Степанов и П. П. Феофилов в результате проведенных ими исследований пришли к выводу, что эти нежелательные особенности искусственных кристаллов не связаны с вхождением примесей, а обусловлены структурными дефектами, возникающими в процессе роста и вызванными нарушением стехиометрического соотношения кристаллообразующих атомов в условиях высоких температур, вакуума и больших скоростей роста кристаллов. Это дефекты типа F2-центров, представляющих собой спаренные электроны, локализованные в соседних вакантных анионных узлах решетки. И. В. Степанов и П. П. Феофилов предложили оригинальный способ «нейтрализации» этих дефектов путем введения в расплав добавок посторонних веществ, которые могли бы служить акцепторами электронов. В природном флюорите эту роль играют трехвалентные ионы редкоземельных элементов, замещающие двухвалентные ионы кальция. Их попытались ввести и в искусственные кристаллы. Были выращены бесцветные кристаллы CaF2 с добавками малых количеств фторидов редкоземельных элементов (около 10-2 %), обладающие более высокой прозрачностью в УФ-области, фотохимически устойчивые.

Однако были и исключения: в ряде случаев вырастали все же малопрозрачные кристаллы. Исследования спектров люминесценции показали, что при одном и том же исходном составе в зависимости от условий выращивания в кристаллах CaF2 образуются структурные дефекты разных типов. Если в кристаллизующемся расплаве присутствует кислород, то компенсация избыточной валентности при замещении Ca2+ ионом TR3+ осуществляется за счет иона кислорода O2-, и ион TR3+ не способен осуществлять свои электронно-акцепторные функции. В случае же выращивания в восстановительной среде, без доступа воздуха, компенсация за счет кислорода невозможна, и захват избыточных электронов происходит на ионах TR3+, что сдерживает образование F и F2-центров окраски. Поэтому рекомендуется добавлять в шихту в небольшом количестве (0,1 вес. %) графитовый порошок. Выращенные в таких условиях кристаллы по пропусканию не уступают природным.

В дальнейшем П. Гёрлих с сотрудниками [G?rlich et al., 1961] предложили заменить трехвалентные TR3+ четырехвалентными катионами металлов, а Э. Г. Черневская показала, что лучший результат достигается при добавке 1% SrF2.

Более поздними исследованиями было установлено, что в улучшении светопропускания кристаллов в УФ-области очень большую положительную роль играет высокий вакуум, поддерживаемый в процессе роста. Й. Йиндра и Й. Филип [1965] выращивали кристаллы при вакууме не менее 10-5 мм рт. ст. и добились у полученных образцов тех же значений пропускания, что и у кристаллов с акцепторной примесью. Они пришли к выводу, что из чистейшего сырья в высоком вакууме можно получать высококачественные кристаллы без добавки редкоземельных или каких-либо других акцепторных примесей.

В поисках путей повышения светопропускания кристаллов проводились опыты по выращиванию кристаллов флюорита во фторсодержащей атмосфере [Воронько и др., 1965; Черневская, 1969]. Фторирование — очень эффективный способ повышения оптических свойств искусственных кристаллов.

Включения. Качество искусственных кристаллов часто снижали включения, вызывающие светорассеяние, снижение прозрачности, появление окраски. Включения по сравнению с природными кристаллами имеют более мелкие размеры, но плотность их распределения значительно более высокая и отрицательные эффекты от их присутствия более серьезные.

Можно выделить три типа включений.

Первый тип — мельчайшие частички неизоморфной фазы, чаще всего CaO, беспорядочно рассеянные по объему кристалла и обусловливающие изотропное светорассеяние. Снижение их количества достигается введением в шихту раскислителей.

Второй тип — закономерно ориентированные по плоскостям (111) гексагональные таблички посторонней фазы размером 10—20 мкм, образующиеся в результате распада твердого раствора и вызывающие анизотропное светорассеяние. Их появления можно избежать использованием особо чистой шихты.

Третий тип — включения пластинчатых кристалликов графита размером 0,1—10 мкм, определяющие светорассеяние и зеленую или зеленовато-серую вплоть до серой окраску кристаллов флюорита [Кузьмин, 1975]. Они появляются в кристаллах при нарушении режима кристаллизации, например при резком увеличении скорости роста.

Пузырность. Пузырями в кристаллотехнологии называют полости любой формы, размеров и природы, образующиеся в теле кристалла в процессе его роста. Пузырность является одним из показателей качества кристаллов [Юшкин и др., 1977]. Пузыри в искусственных кристаллах флюорита в 50—60-е годы представляли один из наиболее распространенных дефектов, определяющих пригодность кристаллов в качестве оптического материала. Различаются следующие типы пузырей: усадочные раковины, «заморозочные» пузыри, пузыри вязкостного характера, структурные пузыри.

Усадочные раковины и «заморозочные» пузыри представляют собой скопление крупных и мелких полостей, расположенных вблизи верхней поверхности кристалла (фото 10, см. вкл.). Появление этого типа пузырей характерно для случаев быстрой кристаллизации расплава.

Пузыри вязкостного характера обычно наблюдаются в нижней части тигля; их образование объясняется заниженной температурой расплава. Эти пузыри рассматриваются как следствие пор и пустот, которые были в материале и не могли удалиться из расплава из-за повышенной его вязкости вблизи точки плавления. Нередко зона вязкостных пузырей в кристаллах переходит в явные «непроплавы» исходного материала в виде мутных зон на донной стороне кристаллов.

Структурные пузыри обычно образуют закономерно пространственную, определенным образом ориентированную решетку. Пузыри этого типа могут занимать весь объем кристалла или какую-нибудь зону внутри него. Поверхность пузырей образована гранями октаэдра. В пределах различных блоков ориентировка граней неодинакова. О природе этих пузырей высказываются разные мнения. Э. Г. Черневская считает, что они связаны с дендритным ростом кристаллов. По мнению В. М. Рейтерова и З. Н. Корневой [1966], эти пузыри имеют сложную физико-химическую природу и образованы при коагуляции точечных микродефектов, возникающих при кристаллизации в случае нарушения стехиометрии состава или при насыщении расплава кислородсодержащими примесями.

Избавиться от пузырности можно, если строго выдерживать режим кристаллизации и применять чистый исходный материал.

Поликристалличность. Блочность. Кристаллы фтористого кальция оптически изотропны, поэтому блочность даже с большими углами разориентировки блоков сама по себе не является препятствием для их использования в качестве оптических сред.

Исследование влияния блочности на оптические свойства флюорита проведено В. С. Доладугиной [1969]. Она показала, что вредное влияние блочной структуры в кристаллах флюорита сказывается в анизотропии механических свойств и проявляется при изготовлении точных оптических поверхностей. На поверхности оптических деталей в местах границ блоков происходит излом световой волны («срыв» интерференционных полос). Величина «срыва» зависит от угловой разориентировки блоков.

Границы блоков во флюорите хорошо просматриваются визуально в отраженном или поляризованном свете. В некоторых случаях они проявляются как свилеподобные дефекты при просмотре полированных образцов на теневой установке. Скачок показателя преломления на границах блоков может достигать значений (1—5)?10-4, что приводит к дефектности самого оптического материала.

Проблема получения монокристаллов флюорита с малой разориентировкой блоков мозаики не была решена и в 60-е годы. Исследователи встретились с целым рядом технологических трудностей, связанных с несовершенством ростовых установок. На блочность кристаллов влияют асимметрия теплового поля, особенности конструкции тигля, чистота ростовой оснастки, материал тигля и т. д. В целом выход моноблочных кристаллов в производственных условиях составлял 30%, и только в последние годы он заметно снизился.

Остаточные напряжения. Важной характеристикой оптической однородности кристаллов флюорита являются также остаточные напряжения, которые проявляются в виде участков с аномальным двойным лучепреломлением при просмотре в поляризованном свете.

В поисках путей снижения остаточных напряжений рядом исследователей были опробованы различные температурно-временные режимы выращивания кристаллов. Особое внимание уделялось температурно-временным параметрам отжига.

В первые годы кристаллотехнологи при получении кристаллов флюорита оптического качества для снижения величины остаточных напряжений стремились приблизить температуру отжига к температуре плавления. В соответствии с этим температура отжига была принята равной 1200° С. Охлаждение кристаллов также старались вести как можно медленнее. Обычно скорость охлаждения определялась предельно допустимыми возможностями терморегулирующей системы ростового оборудования и составляла 2—4 град/ч. Отожженные кристаллы имели величину двулучепреломления 60—80 нм/см при размерах кристаллов 160—180 мм.

Как показали последующие исследования Э. Г. Черневской с сотрудниками [Черневская и др., 1971], такой затяжной отжиг приводит к ухудшению других оптических характеристик кристаллов. В них увеличивалось светорассеяние, снижалась прозрачность, наводилось дополнительное поглощение. Это объясняется интенсивным испарением фтора из решетки CaF2 в вакууме при высоких температурах. В результате анализа упругих и термомеханических характеристик флюорита был сделан вывод о том, что остаточные напряжения должны снижаться в области более низких температур отжига (до 1000°С). На основании данных по коэффициентам упругости, удельной теплоемкости, теплопроводности, пределу текучести флюорита был произведен расчет оптимальных температур и скоростей их снижения на стадии отжига кристаллов. Э. Г. Черневской с сотрудниками были предложены в качестве оптимальных следующие параметры отжига: температура 800—900° С, выдержка 10 ч, скорость охлаждения в зависимости от размера кристалла от 3 до 30 град/ч. Все эти параметры были выведены для кристаллов с максимальным размером 270?60 мм; для более крупных кристаллов они, очевидно, будут несколько иными.

Таким образом, задача получения искусственных кристаллов оптического флюорита благодаря усилиям многих исследователей была в конце концов успешно решена. Были найдены пути получения кристаллов, по размерам и свойствам не уступающих природным и даже их превосходящих. Искусственные кристаллы прочнее, чище, однороднее и прозрачнее природных, у них ниже степень макро- и микродефектности (например, плотность дислокаций может быть на три порядка ниже, чем в лучших природных кристаллах). А самое главное — можно управлять свойствами, вводя определенные добавки в кристаллы или изменяя режим роста; можно получать кристаллы с такими свойствами, каких нет у природных.

Более 800 000 книг и аудиокниг! 📚

Получи 2 месяца Литрес Подписки в подарок и наслаждайся неограниченным чтением

ПОЛУЧИТЬ ПОДАРОК