3. ПО «Маяк», г. Озерск, 2 января 1958 г

Раствор уранилнитрата, U(90 %), в экспериментальной емкости; одна вспышка; три летальных исхода, один случай значительного облучения.

Эта ядерная авария была уникальной, потому что она произошла на установке, которая использовалась для проведения внутризаводских критических экспериментов. Однако, в связи с тем, что она произошла после прекращения эксперимента во время передачи раствора с делящимся материалом в емкости безопасной геометрии, ее классифицировали как производственную ядерную аварию.

После аварии 1957 года было решено установить оборудование для измерения критических параметров высокообогащенного раствора уранилнитрата. Считалось, что это необходимо и актуально в свете широкого использования производственных баков опасной геометрии, неопределенностей в критических параметрах перерабатываемых материалов и наличия растворов урана и системы их подготовки. Прежде критические размеры емкостей, равно как и критические концентрации и объемы раствора, оценивались преимущественно на основе расчетов из-за отсутствия прямых критических экспериментов.

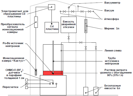
Небольшая экспериментальная установка, представленная на рисунке 8, находилась в отдельной комнате, но в главном производственном здании. К моменту аварии она проработала всего два месяца. Во время измерений экспериментаторы обычно находились у пульта управления в нескольких метрах от установки и за защитой толщиной 0,5 м, заполненной водой.

Первая серия экспериментов была нацелена на определение критических параметров небольших баков. Этот же эксперимент был первым экспериментом с большим баком. Это был стальной цилиндрический бак с внутренним диаметром 75 см и типичной для технологических баков толщиной стенок, возможно, 2–4 мм. Раствор делящегося материала с известной концентрацией и объемом поступал из находящегося сверху дозатора вместимостью три литра. Экспериментальный бак размещался на расстоянии 80 см от бетонного пола на стальной подставке толщиной 8 мм и не имел существенных отражателей. Его вместимость превышала 400 литров, что позволяло делать измерения критических параметров в широком диапазоне концентраций урана. Центральная труба содержала нейтронный источник, и поток нейтронов регистрировался расположенными снаружи бака пропорциональными счетчиками нейтронов, наполненными газом BF3. В измерениях коэффициента размножения нейтронов применялась стандартная методика обратного умножения. Эксперимент был закончен, когда в бак было залито 64,4 литра раствора уранилнитрата с концентрацией урана 376 г/л.

По окончании каждого эксперимента, согласно регламенту, требовалось сливать раствор в безопасные емкости. Выдав из бака часть раствора, начальник смены, полагая, что бак находится в глубоко подкритическом состоянии, решил ускорить утомительный процесс перелива и вручную слить из него оставшийся раствор. Для этого пришлось извлечь нейтронный источник, снять направляющую трубу и отсоединить бак от подставки. Затем трое экспериментаторов руками подняли бак и начали наклонять его для слива раствора. В это время и произошел всплеск мощности.

Рисунок 8. Схема расположения экспериментального оборудования.

Они ощутили вспышку и увидели выброс раствора из бака до потолка помещения высотой 4 м. Очевидно, раствор был намного ближе к критическому состоянию, чем предполагали экспериментаторы. Дополнительного отражения от троих экспериментаторов (это было и до наклона бака) в комбинации с изменением геометрии раствора в баке было достаточно, чтобы привести систему в критическое состояние на мгновенных нейтронах. Слабый нейтронный фон, по оценкам составлявший лишь сто нейтронов в секунду, по-видимому, также повлиял на запаздывание начала цепной реакции и, таким образом, повысил энергетику всплеска мощности.

Трое экспериментаторов бросили бак и вместе с четвертым экспериментатором, находившимся в 2,5 м от бака, немедленно отправились в раздевалку, приняли душ и были отправлены в больницу. На основе измерений активности продуктов деления в растворе было оценено число делений за единственный пик мощности, которое составило 2,25 X 1017.

Поглощенная доза смешанного нейтронного и гамма-излучений для каждого сотрудника, находившегося вплотную к баку, составила около 6000 рад, все трое скончались через 5–6 дней после аварии. Сотрудница, находившаяся на расстоянии 2,5 м от места происшествия, получила дозу около 600 рад, перенесла острую лучевую болезнь с потерей в последующий период зрения из-за катаракты обоих глаз.

Это случилось в смену с 13:00 до 19:00 в первый рабочий день после новогодних праздников. Хотя завод обычно работал непрерывно в четыре шестичасовые смены, существовала только одна группа специалистов, проводивших критические эксперименты. Подготовку раствора урана, сборку экспериментальной установки выполняли другие работники завода, но критические эксперименты проводились исключительно этой опытной специальной группой. После таких тяжелых последствий экспериментальное оборудование было демонтировано, а программа проведения критических экспериментов на заводе была закрыта.

Более 800 000 книг и аудиокниг! 📚

Получи 2 месяца Литрес Подписки в подарок и наслаждайся неограниченным чтением

ПОЛУЧИТЬ ПОДАРОК