§ 4. Коэффициент полезного действия идеальной машины
А сейчас попробуем найти закон, определяющий работу W как функцию Q1, Т1 и Т2. Ясно, что W пропорционально Q1, ибо если две обратимые машины работают в параллель, то такая сдвоенная машина тоже будет обратимой машиной. Если каждая из этих машин поглощает тепло Q1, то обе сразу поглощают 2Q1, а работа, которую они совершают, равна 2W и т. д. Поэтому пропорциональность W затраченному теплу Q1 вполне естественна.
После этого сделаем еще один важный шаг к универсальному закону. В качестве рабочего вещества машины можно взять одно вещество с хорошо известными нам свойствами. Воспользуемся этим и выберем идеальный газ. Можно и не делать этого, а вывести интересующее нас правило чисто логически, совсем не используя для этого какого-то вещества. Это одно из самых блестящих теоретических доказательств в физике, но пока мы используем менее абстрактный и более простой метод прямого вычисления.
Нам нужно лишь получить формулы для Q1 и Q2 (ведь W=Q1-Q2) — тепла, которым машина обменивается с резервуарами во время изотермического расширения и сжатия. Для примера вычислим Q1— тепло, полученное от резервуара при температуре T1 во время изотермического расширения (кривая 1 на фиг. 44.6) от точки а, где давление равно pa, объем Va, температура Т1, до точки b, где давление равно рb, объем Vb, а температура та же самая T1. Энергия каждой молекулы идеального газа зависит только от температуры, а поскольку в точках а и b одинаковы и температура, и число молекул, то и внутренняя энергия тоже одинакова. Энергия U не изменяется; полная работа газа в период расширения

совершается за счет энергии Q1, полученной из резервуара. Во время расширения pV=NkT1 или

значит,
(44.4)
т. е.

Вот то тепло, которое взято из резервуара при температуре Т1. Точно так же можно вычислить и тепло, отданное при сжатии (кривая 3 на фиг. 44.6) резервуару при температуре T2:
(44.5)
Чтобы закончить анализ, нужно еще найти соотношение между Vc/Vd и Vb/Va. Для этого взглянем сначала на кривую 2, которая описывает адиабатическое расширение от b до c. В это время pV? остается постоянным. Поскольку pV=NkT, то формулу для адиабатического расширения в конечных точках пути можно записать в виде (pV)V?-1=const, или TV?-1=const, т. е.
(44.6)
Так как кривая 4 описывает адиабатическое сжатие от d до а, то
(44.6а)
Если поделить эти равенства одно на другое, то мы выясним, что отношения Vb/Va и Vc/Vd равны, поэтому равны и логарифмы в (44.4) и (44.5). Значит,
(44.7)
Это и есть то соотношение, которое мы искали. Хотя оно доказано для машины с идеальным газом, мы уже знаем, что оно справедливо для любой обратимой машины.
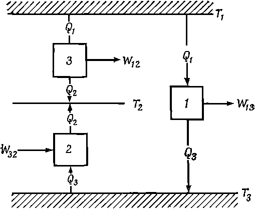
А теперь посмотрим, как можно вывести этот универсальный закон на основании только логических аргументов, не интересуясь частными свойствами веществ. Предположим, что у нас есть три машины и три температуры Т1, Т2 и Т3. Одна машина поглощает тепло Q1 при температуре T1, производит работу W13 и отдает тепло Q3 при температуре T3 (фиг. 44.8).

Фиг. 44.8. Спаренные машины 1 и 2 эквивалентны машине 3.
Другая машина работает при перепаде температур T2 и Т3. Предположим, что эта машина устроена так, что она поглощает то же тепло Q3 при температуре Т3 и отдает тепло Q2. Тогда нам придется затратить работу W32, ведь мы заставили машину работать в обратном направлении. Цикл первой машины заключается в поглощении тепла Q1 и выделении тепла Q3 при температуре Т3. Вторая машина в это время забирает из резервуара то же самое тепло Q3 при температуре T3 и отдает его в резервуар с температурой Т2. Таким образом, чистый результат цикла этих спаренных машин состоит в изъятии тепла Q1 при температуре Т1 и выделении тепла Q2 при температуре T2. Эти машины эквивалентны третьей, которая поглощает тепло Q1 при температуре Т1, совершает работу W12 и выделяет тепло Q2 при температуре Т2. Действительно, исходя из первого закона, можно сразу же показать, что W12=W13-W32:
(44.8)
Теперь можно получить закон, связывающий коэффициенты полезного действия машин. Ведь ясно, что между эффективностями машин, работающих при перепаде температур Т2-T3, T2-Т3 и Т1-Т2, должны существовать определенные соотношения.
Сформулируем пояснее наши аргументы. Мы убедились, что всегда можем связать тепло, поглощенное при температуре T1 и тепло, выделенное при температуре T2, определив тепло, выделенное при какой-то другой температуре T3. Это значит, что мы можем описать все свойства машины, если введем стандартную температуру и будем анализировать все процессы с помощью именно такой стандартной температуры. Иначе говоря, если мы знаем коэффициент полезного действия машины, работающей между температурой Т и какой-то стандартной температурой, то сможем вычислить коэффициент полезного действия машины, работающей при любом перепаде температур. Ведь мы рассматриваем только обратимые машины, поэтому ничто не мешает нам спуститься от начальной температуры к стандартной, а потом снова вернуться к конечной температуре. Примем температуру в один градус за стандартную. Для обозначения выделяемого при стандартной температуре тепла используем особый символ QS. Это значит, что если машина поглощает при температуре Т тепло Q, то при температуре в один градус она выделяет тепло QS. Если какая-то машина, поглощая тепло Q1 при T1, выделяет тепло QS при температуре в один градус, а другая машина, поглотив тепло Q2 при Т2, выделяет то же самое тепло QS при температуре в один градус, то машина, поглощающая Q1 при Т1, должна при температуре Т2 выделять тепло Q2. Мы уже доказали это, рассмотрев три машины, работающие при трех температурах. Таким образом, для полного описания работы машин нам остается узнать совсем немного. Мы должны выяснить, сколько тепла Q1 должна поглотить машина при температуре T1, чтобы выделить при единичной температуре тепло QS. Конечно, между теплом Q и температурой Т существует зависимость. Легко понять, что тепло должно возрастать при возрастании температуры, ведь мы знаем, что если заставить работать машину в обратном направлении, то при более высокой температуре она отдает тепло. Легко также понять, что тепло Q1 должно быть пропорционально QS. Таким образом, наш великий закон выглядит примерно так: Каждому количеству тепла QS, выделенного при температуре в один градус, соответствует количество тепла, поглощенного машиной при температуре Т, равное QS, умноженному на некоторую возрастающую функцию Q температуры:
(44.9)
Более 800 000 книг и аудиокниг! 📚
Получи 2 месяца Литрес Подписки в подарок и наслаждайся неограниченным чтением
ПОЛУЧИТЬ ПОДАРОК